Erőmérő és nyomatékmérő cellák, kijelzők
Erőmérő és nyomatékmérő cellák és ahhoz szükséges kijelzőkVFTI - Vector Force & Torque Indicator

Gyártói termékoldal
A kijelzett értéket mN, N, kN, gf, kgf, ozf, lbf mértékegységekben lehetséges megjeleníteni.
A VFTI kizárólag külső erő- és nyomatékmérő cellával használható, belső cellája nincs.
A VFTI a VFG-hez hasonlóan továbbfejlesztett funkciókat és adatelemzést kínál:
- Konfigurálható, színes érintőkijelző melyen a húzó és/vagy nyomóerő maximuma illetve a pillanatérték leolvasható.
- Maximális terhelés, első csúcs, vagy átlagterhelés kijelzése
- Jelleggörbe kijelzés mód - pillanatérték jelleggörbén való megjelenítése
- Vizuális Pass/Fail jelzések
- Túlterhelés figyelmeztetés
- Statisztikai összefoglaló - tárolja a mérés adatait a belső memóriában
- Bővíthető micro-SDHC memória 32 GB-ig
- Közvetlen adatátvitel PC-re, vagy nyomtatóra
- Külső cellák könnyű és gyors csatlakoztatása
- Tesztállványhoz való rögzítés lehetősége
Kompatibilis a Mecmesin VectorPro© Lite szoftverével, melynek segítségével lehetséges jelleggörbe rögzítése az idő függvényében, mérési jegyzőkönyv készítése PDF formátumban, vagy adatexport többek között Microsoft Excel formátumba.
Alapadatok
| Mértékegységek (erő): | mN, N, kN, gf, kgf, ozf, lbf |
|---|---|
| Mértékegységek (nyomaték): | N.m, mN.m, gf.cm, kgf.cm, ozf.in, lbf.in, lbf.ft |
Méretek
| Szélesség: | 72 mm |
|---|---|
| Magasság: | 205 mm |
| Mélység: | 42 mm |
| Tömeg: | 740 g |
AFTI - Advanced Force & Torque Indicator

Gyártói termékoldal
A kijelzett értéket mN, N, kN, gf, kgf, ozf, lbf mértékegységekben lehetséges megjeleníteni.
Az AFTI kizárólag külső erő- és nyomatékmérő cellával használható, belső cellája nincs.
Az AFTI az AFG-hez hasonlóan továbbfejlesztett funkciókat és adatelemzést kínál:
- Maximális terhelés, első csúcs, vagy átlagterhelés kijelzése
- Gyors, belső 5000Hz-es mintavételezés, így a hirtelen történő break érzékelés pontos lesz
- Látható és hallható Pass/Fail jelzések, rögtön történő visszajelzés a kezelőnek
- Túlterhelés figyelmeztetés, mely minimalizálja a cella sérülésének veszélyét
- Beépített memória, mely 500 mérést képes rögzíteni
- Közvetlen adatátvitel PC-re, vagy nyomtatóra RS232, Digimatic, vagy analóg csatlakozással
- Külső cellák könnyű és gyors csatlakoztatása
- Tesztállványhoz való rögzítés lehetősége
Kompatibilis a Mecmesin VectorPro© Lite szoftverével, melynek segítségével lehetséges jelleggörbe rögzítése az idő függvényében, mérési jegyzőkönyv készítése PDF formátumban, vagy adatexport többek között Microsoft Excel formátumba.
Alapadatok
| Mértékegységek (erő): | mN, N, kN, gf, kgf, ozf, lbf |
|---|---|
| Mértékegységek (nyomaték): | N.m, mN.m, gf.cm, kgf.cm, ozf.in, lbf.in, lbf.ft |
Méretek
| Szélesség: | 70 mm |
|---|---|
| Magasság: | 201 mm |
| Mélység: | 32 mm |
| Tömeg: | 650 g |
Erőmérő cellák
S-Beam
(Húzó & Nyomó)
A 'Smart' S-beam típusú cellák húzás és nyomás mérésére is képesek, 100 N-os kapacitástól egészen 100 kN-ig kaphatók.
Az 50 kN és 100 kN típusok kalibrálása csak egy irányba történik, ezt a rendeléskor szükséges jelezni.
Junior S-Beam
(Húzó & Nyomó)
Kis méretű 'Smart' S-beam típusú cellák, húzás és nyomás mérésére is képesek. Hasznosak lehetnek olyan esetekben, ahol limitált hely áll rendelkezésre.
Különböző modellek kaphatók 1 N-tól 500 N-ig.
Load Button
(Csak Nyomó)
Kis méretű 'Smart' típusú cellák, melyek csak nyomás mérésére képesek. Miniature és Sub-Miniature méretben is léteznek.
A nyomóerő érzékelése a szenzor közepén történik. Különböző modellek kaphatók 100 N-tól 50 kN-ig.
Speciális erőmérő cellák
 
A standard erőmérő szenzorokon kívül a Mecmesin speciális erőmérő cellákat is forgalmaz konkrét alkalmazási területekhez (pl. 1000N-os pedálerőmérő)
Erőmérő szenzorok specifikációi
S-Beam
Standard S-alakú típus
| Cikkszám | Kapacitás | Hosszúság (L) [mm] | Szélesség (W) [mm]** | Magasság H [mm] | Csatlakozás |
|---|---|---|---|---|---|
| 870 – 002 | 100 N | 51 | 13 | 64 | M6 x 1 |
| 870 – 004 | 200 N | 51 | 13 | 64 | M6 x 1 |
| 870 – 009 | 500 N | 51 | 19 | 76 | M6 x 1 |
| 870 - 001 | 1000 N | 51 | 19 | 76 | M10 x 1,5 |
| 870 - 006 | 2500 N | 51 | 25 | 76 | M12 x 1,75 |
| 870 - 008 | 5000 N | 51 | 25 | 76 | M12 x 1,75 |
| 870 - 003 | 10 kN | 51 | 25 | 76 | M12 x 1,75 |
| 870 - 007 | 25 kN | 76 | 25 | 108 | M16 x 2 |
**Középen 6 mm-rel szélesebb a védőburkolat miatt
Cylindrical (hengeres) típus
| Cikkszám | Kapacitás | Átmérő (Ø) [mm] | Magasság (H) [mm] | Csatlakozás |
|---|---|---|---|---|
| 870 - 011 | *50 kN | 70 | 120 | M36 x 3 |
| 870 - 010 | *100 kN | 70 | 120 | M36 x 3 |
*Egyirányú kalibrálás, vagy húzásra, vagy nyomásra (rendeléskor jelezendő)
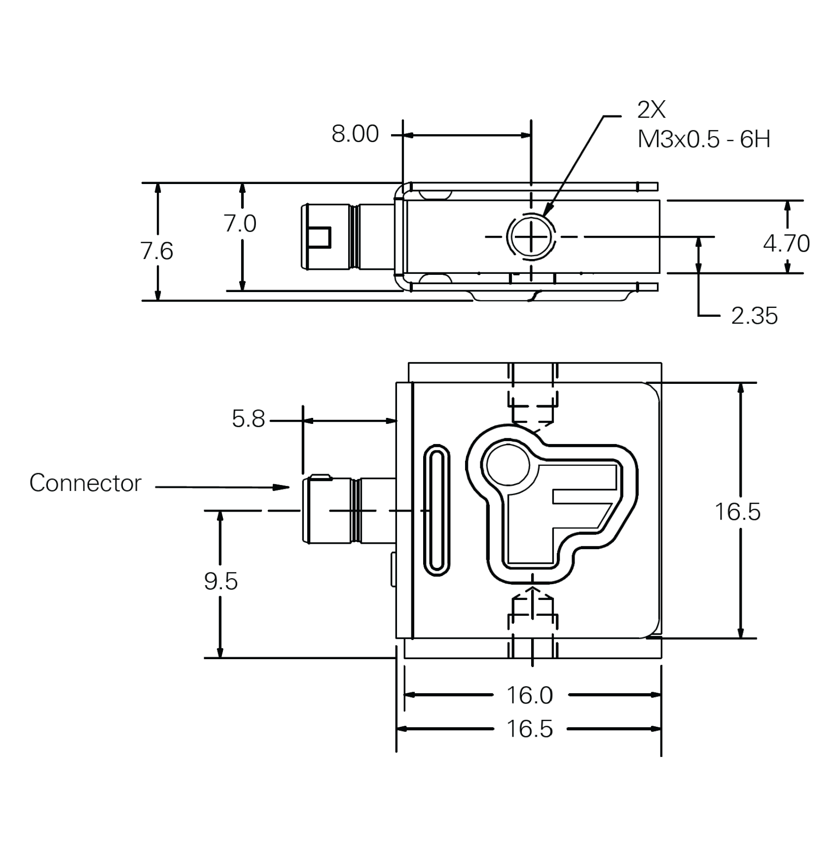
Junior S-Beam
| Cikkszám | Kapacitás | Hosszúság (mm) | Szélesség (mm) | Magasság (mm) | Csatlakozás |
|---|---|---|---|---|---|
| 870 – 101 | 1 N | 16,5 | 7,6 | 19 | M3 x 0,5 |
| 870 – 102 | 2,5 N | 16,5 | 7,6 | 19 | M3 x 0,5 |
| 870 – 103 | 5 N | 16,5 | 7,6 | 19 | M3 x 0,5 |
| 870 – 104 | 10 N | 16,5 | 7,6 | 19 | M3 x 0,5 |
| 870 – 105 | 25 N | 16,5 | 7,6 | 19 | M3 x 0,5 |
| 870 – 106 | 50 N | 16,5 | 7,6 | 19 | M3 x 0,5 |
| 870 – 107 | 100 N | 16,5 | 7,6 | 19 | M3 x 0,5 |
| 870 – 108 | 250 N | 16,5 | 7,6 | 19 | M3 x 0,5 |
| 870 – 109 | 500 N | 16,5 | 7,6 | 19 | M3 x 0,5 |
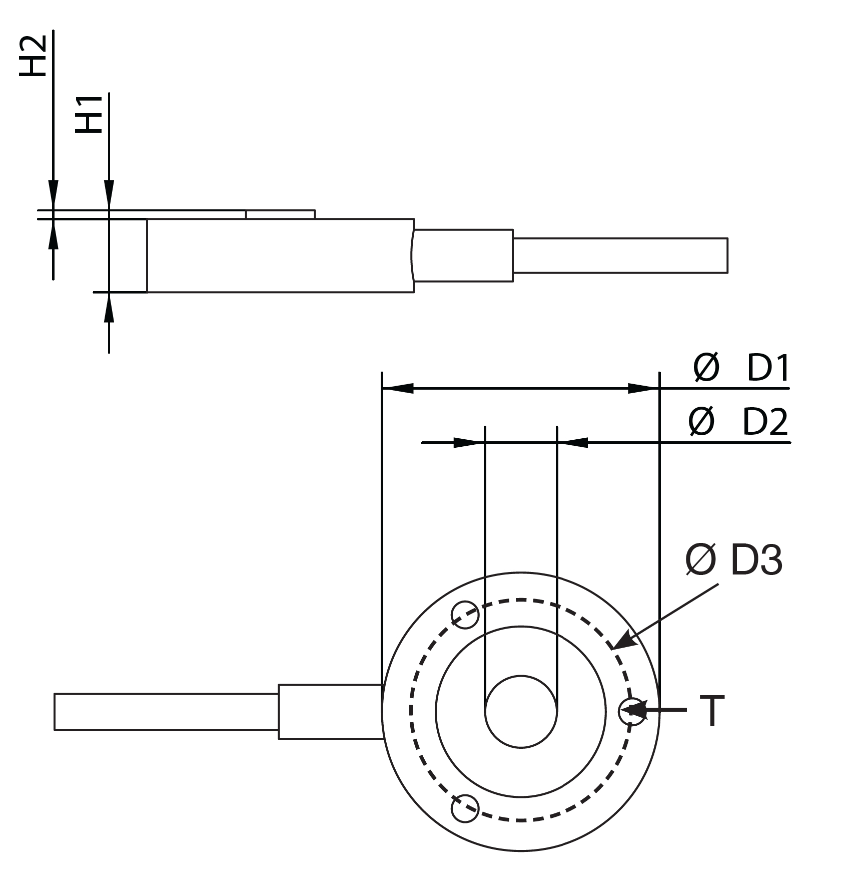
Load Button
Miniature sorozat
| Cikkszám | Kapacitás | ØD1 (mm) | ØD2 (mm) | ØD3 (mm) | H1 (mm) | H2 (mm) | Menet |
|---|---|---|---|---|---|---|---|
| 878-008 | 100 N | 25 | 5 | 19 | 8 | 1,3 | 4/40 UNC |
| 878-009 | 250 N | 25 | 5 | 19 | 8 | 1,3 | 4/40 UNC |
| 878-010 | 500 N | 31 | 8 | 25 | 10 | 1,3 | 6/32 UNC |
| 878-011 | 1000 N | 31 | 8 | 25 | 10 | 1,3 | 6/32 UNC |
| 878-012 | 2500 N | 31 | 8 | 25 | 10 | 1,3 | 6/32 UNC |
| 878-013 | 5000 N | 31 | 8 | 25 | 10 | 1,3 | 6/32 UNC |
| 878-014 | 10 kN | 31 | 8 | 25 | 10 | 1,3 | 6/32 UNC |
| 878-015 | 20 kN | 38 | 11 | 32 | 16 | 2 | 6/32 UNC |
| 878-016 | 50 kN | 38 | 11 | 32 | 16 | 2 | 6/32 UNC |
Sub-miniature sorozat
| Cikkszám | Kapacitás | ØD1 (mm) | ØD2 (mm) | H1 (mm) | H2 (mm) |
|---|---|---|---|---|---|
| 878-002 | 100 N | 19 | 5 | 6,4 | 0,6 |
| 878-003 | 250 N | 19 | 5 | 6,4 | 0,6 |
| 878-004 | 500 N | 19 | 5 | 6,4 | 0,6 |
| 878-005 | 1000 N | 19 | 5 | 6,4 | 0,6 |
| 878-006 | 5000 N | 19 | 5 | 6,4 | 0,6 |
Nyomatékmérő cellák
Statikus nyomatékszenzorok
Static Torque Transducer
(Alacsony Nyomaték)
Statikus nyomatékmérő 'Smart' szenzor 0 - 0,05 Nm tartománytól 0 - 2 Nm tartományig.
Alkalmas asztalhoz, vagy nyomatékkulcs kalibrátor állványhoz való rögzítésre.
1/4"-os HEX foglalattal, vagy Ø3 mm (H7) furattal ellátva adapterek csatlakoztatásához.
Static Torque Transducer
(Közepes & Nagy Nyomaték)
Statikus nyomatékmérő 'Smart' szenzor 0 - 1,5 Nm tartománytól 0 - 1000 Nm tartományig.
Alkalmas asztalhoz, vagy nyomatékkulcs kalibrátor állványhoz való rögzítésre.
3/8"-tól 1"-os méretű négyszöges apa csatlakozással ellátva adapterek csatlakoztatásához.
Statikus Nyomatékcsavarhúzó - Mini (Kis Nyomaték)
Precíziós, kis kapacitású nyomatékcsavarhúzó kézi alkalmazásra.
Kis, statikus nyomaték mérésére alkalmas 0 - 0,01 Nm tartománytól 0 - 1 Nm tartományig.
1/4"-os HEX foglalattal, vagy Ø3 mm (H7) furattal ellátva adapterek csatlakoztatásához.
Megjegyzés: Amennyiben a méréshez több körbefordulásra van szükség, akkor azt javasoljuk, használjon forgó nyomatékszenzort.
Statikus Nyomatékcsavarhúzó (Közepes Nyomaték)
Nyomatékcsavarhúzó közepes kapacitással kézi alkalmazásra.
Statikus nyomaték mérésére alkalmas 0 - 0,3 Nm tartománytól 0 - 10 Nm tartományig.
3 pofás tokmánnyal felszerelve, melyet eltávolítva 3/8"-os négyszöges csatlakoztatást tesz lehetővé.
Megjegyzés: Amennyiben a méréshez több körbefordulásra van szükség, akkor azt javasoljuk, használjon forgó nyomatékszenzort.
Forgó nyomatékszenzorok
Rotary Torque Transducer - Mini (Kis Nyomaték)
Forgó 'Smart' nyomatékszenzor mely 0 - 0,050 Nm tartománytól 0 - 1 Nm tartományig képes mérni.
Nyomatékszenzorok specifikációi
Static Torque Transducer (Kis Nyomaték)
| Modell | Cikkszám | Kapacitás | Csatlakoztatás | Magasság H (mm) | Szélesség W (mm) | Mélység D (mm) |
|---|---|---|---|---|---|---|
| TT-ST0.05 | 872 - 030 | 50 mNm | Furat Ø3 H7 | 75 | 50 | 50 |
| TT-ST0.20 | 872 - 032 | 200 mNm | Furat Ø3 H7 | 75 | 50 | 50 |
| TT-ST0.50 | 872 - 033 | 500 mNm | 1/4” HEX foglalat | 91 | 50 | 50 |
| TT-ST1 | 872 - 034 | 1 Nm | 1/4” HEX foglalat | 91 | 50 | 50 |
| TT-ST2 | 872 - 035 | 2 Nm | 1/4” HEX foglalat | 91 | 50 | 50 |
Static Torque Transducer (Közepes & Nagy Nyomaték)
| Modell | Cikkszám | Kapacitás | Négyszöges csatlakozás | Magasság H (mm) | Szélesség W (mm) | Mélység D (mm) |
|---|---|---|---|---|---|---|
| ST1.5 | 872 - 001 | 1.5 Nm | 3/8" | 87 | 80 | 90 |
| ST6 | 872 - 009 | 6 Nm | 3/8" | 87 | 80 | 90 |
| ST10 | 872 - 004 | 10 Nm | 3/8" | 87 | 80 | 90 |
| ST15 | 872 - 006 | 15 Nm | 3/8" | 87 | 80 | 90 |
| ST60 | 872 - 008 | 60 Nm | 3/8" | 87 | 80 | 90 |
| ST100 | 872 - 003 | 100 Nm | 1/2" | 93 | 80 | 90 |
| ST150 | 872 - 005 | 150 Nm | 1/2" | 93 | 80 | 90 |
| ST600 | 872 - 007 | 600 Nm | 3/4" | 113,5 | 78,7 | 100 |
| ST1000 | 872 - 002 | 1000 Nm | 1" | 124 | 78,7 | 100 |
Statikus Nyomatékcsavarhúzó - Mini (Kis Nyomaték)
| Modell | Cikkszám | Kapacitás | Csatlakozás | L1 (mm) | Ø (mm) |
|---|---|---|---|---|---|
| TTH0.01 | 871 - 100 | 10 mNm | Furat Ø3 H7 | 135 | 22 |
| TTH0.05 | 871 - 101 | 50 mNm | Furat Ø3 H7 | 135 | 22 |
| TTH0.10 | 871 - 102 | 100 mNm | Furat Ø3 H7 | 135 | 22 |
| TTH0.20 | 871 - 105 | 200 mNm | Furat Ø3 H7 | 135 | 22 |
| TTH0.50 | 871 - 103 | 500 mNm | 1/4" HEX foglalat | 151 | 22 |
| TTH1 | 871 - 104 | 1 Nm | 1/4" HEX foglalat | 151 | 22 |
Statikus Nyomatékcsavarhúzó (Közepes Nyomaték)
| Modell | Cikkszám | Kapacitás | Csatlakozás | L (mm) | Ø (mm) | Súly (g) |
|---|---|---|---|---|---|---|
| TS0.3 | 871-004 | 0.3 Nm | 3/8" négyszögletes apa / 3 pofás tokmány | 143 | 43 | 660 |
| TS1.5 | 871-002 | 1.5 Nm | 3/8" négyszögletes apa / 3 pofás tokmány | 143 | 43 | 660 |
| TS3 | 871-003 | 3 Nm | 3/8" négyszögletes apa / 3 pofás tokmány | 143 | 43 | 660 |
| TS6 | 871-005 | 6 Nm | 3/8" négyszögletes apa / 3 pofás tokmány | 143 | 43 | 660 |
| TS10 | 871-001 | 10 Nm | 3/8" négyszögletes apa / 3 pofás tokmány | 143 | 43 | 660 |
Rotary Torque Transducer - Mini (Kis Nyomaték)
| Modell | Cikkszám | Kapacitás | Tengelyhossz (A) | Tengelyátmérő (B) | Max rpm |
|---|---|---|---|---|---|
| TTR0.05 | 877 - 030 | 50 mNm | 11,2 | Ø3h8 | 5000 |
| TTR0.10 | 877 - 031 | 100 mNm | 10,4 | Ø5h8 | 5000 |
| TTR0.20 | 877 - 032 | 200 mNm | 10,4 | Ø5h8 | 5000 |
| TTR0.50 | 877 - 033 | 500 mNm | 17,75 | Ø8h8 | 5000 |
| TTR1 | 877 - 034 | 1 Nm | 17,75 | Ø8h8 | 5000 |
Rotary Torque Transducer (Közepes & Nagy Nyomaték)
| Modell | Cikkszám | Kapacitás | Csatlakoztatás | L1 (mm) | L2 (mm) | L3 (mm) | Ø (mm) | Max rpm |
|---|---|---|---|---|---|---|---|---|
| FAST 2 N.m sq | 877 - 020 | 2 Nm | 1/4" négyzetes | 70 | 16 | 10 | 40 | 1000 |
| FAST 2 N.m rd | 877 - 021 | 2 Nm | Ø 9mm hengeres* | 70 | 28 | 28 | 40 | 5000 |
| FAST 6 N.m sq | 877 - 022 | 6 Nm | 1/4" négyzetes | 70 | 16 | 10 | 40 | 1000 |
| FAST 6 N.m rd | 877 - 023 | 6 Nm | Ø 9mm hengeres* | 70 | 28 | 28 | 40 | 5000 |
| FAST 15 N.m sq | 877 - 024 | 15 Nm | 1/4" négyzetes | 70 | 16 | 10 | 40 | 1000 |
| FAST 15 N.m rd | 877 - 025 | 15 Nm | Ø 9mm hengeres* | 70 | 28 | 28 | 40 | 5000 |
| FAST 60 N.m sq | 877 - 026 | 60 Nm | 3/8" négyzetes | 70 | 24 | 13 | 50 | 1000 |
| FAST 60 N.m rd | 877 - 027 | 60 Nm | Ø 14mm hengeres* | 70 | 28 | 28 | 50 | 5000 |
| FAST 150 N.m sq | 877 - 028 | 150 Nm | 1/2" négyzetes | 70 | 35 | 19 | 50 | 1000 |
| FAST 150 N.m rd | 877 - 029 | 150 Nm | Ø 19mm hengeres* | 70 | 55 | 55 | 50 | 5000 |
Pontosság: a teljes skálára vonatkoztatva ± 1 %
Maximum axiális erő: 40 N
Maximum radiális erő: 50 N